产品选型
选择臂展
  • 不限
  • 1.5米以内
  • 2米以内
  • 2.5米以内
  • 3米以内
  • 4米以内
选择负载
  • 不限
  • 10kg以内
  • 30kg以内
  • 50kg以内
  • 100kg以内
  • 200kg以内
  • 400kg以内
选型工具
嘿,您好
我能帮上什么忙?

给28圈电竞留言

请留言

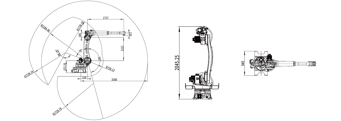
CRP-RA32-20
描述
工业机器人搬运用途
功能特点
  • 臂展3.2米,负载能力强,工作范围大,灵活性强。

  • 运行速度快,重复定位精度高,适用于切割、搬运、焊接等应用场景,适用范围广。

  • 配置独立于控制系统的安全急停板,采用安全继电器,对外提供双回路急停,确保急停的可靠性。

  • 本体电缆采用柔性机器人专用电缆。

  • 内装三相滤波器,有效改善EMC和EMI性能。

  • 本体提供中中10mm双回路气管,满足外设需求。

  • 通过单悬臂小臂结构,减轻终端重量,提升其灵活性,机械手、工具、工件形状的选择性范围得到扩展。

  • 内置电缆、气管,通过小臂和手腕中心处设置中空部分,从机器人基部到腕部未端内置电缆和气管,更大地方便了用户使用,提高了作业效率。

  • 高扩展性,在机器人本体上设置有多处用户支架安装平台,便于用户因定线缆及其相关辅助工装治具。


本体技术指标

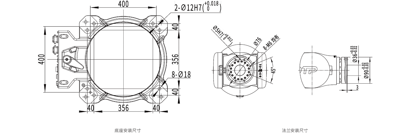
安装接口图

工作范围图